埋設ノズル 煌(きらめき)70型 北越消雪【新仕様】 駐車場に埋設して散水消雪ができます
- Описание
- Характеристики
- обзоры




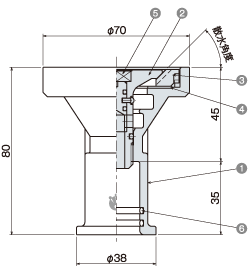
1 ケーシング SCS13
2 調整弁 SCS13
3 散水リング SCS13
4 パッキン シート
5 天ゴム Si
6 Oリング NBR
製品仕様孔径 φ2.5 φ3.0 φ3.5 開閉式 ※1
孔位置 両面4孔 両面6孔 片面3孔 片面4孔
散水角度 30° 45°
接続口径 φ22〔1/2B VP16〕 ※2
上記仕様以外の場合はご相談下さい。
※1:散水孔形状が半円のため、孔の断面積がφ2.5、φ3.0、φ3.5相当となります。
※2:φ22以外の口径の場合は専用アタッチメントが必要となりますので、ご注文時にご相談下さい。
散水孔が溝形式の煌70型は調整弁をゆるめることにより孔が開放しますので、ノズル内の泥吐きと散水孔清掃を同時に行うことが可能です。
従来のノズルのように個々の散水孔を清掃する必要がありませんのでメンテナンスの手間が大幅に省けます。
天ゴムにドライバーを差し込めるスロット(溝孔)を設けていますので、天ゴムを装着したまま水量調整することができます
外見では判別しにくい孔径、角度を上面に刻印表示しています。
散水孔開閉式ですので、ノズル内の泥吐きと散水孔清掃が同時にでき、メンテナンスの手間が大幅に省けます。
散水リングや調整弁を交換することで、埋設後でも孔径、孔位置、散水角度の変更や、泉タイプ、潮タイプなどへの変更も可能です。
埋設後でも10°単位での散水方向調整が可能です。
従来のノズルのように個々の散水孔を清掃する必要がありませんのでメンテナンスの手間が大幅に省けます。
天ゴムにドライバーを差し込めるスロット(溝孔)を設けていますので、天ゴムを装着したまま水量調整することができます
外見では判別しにくい孔径、角度を上面に刻印表示しています。
散水孔開閉式ですので、ノズル内の泥吐きと散水孔清掃が同時にでき、メンテナンスの手間が大幅に省けます。
散水リングや調整弁を交換することで、埋設後でも孔径、孔位置、散水角度の変更や、泉タイプ、潮タイプなどへの変更も可能です。
埋設後でも10°単位での散水方向調整が可能です。